Arum
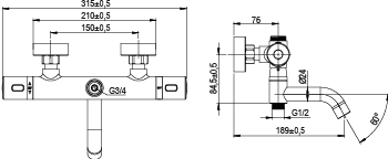
Thermostatic bath mixer for shower system with selector, double outlet and diverter for bath and shower.
With COLD-TOUCH system that mantains the body of the faucet cold.
With function selector for bottom outlet and by unfolding the spout the water flow through the hose is interrupted and redirected through the spout
Diverter and selector functions:
Rain function (shower head)
Hand shower function
Spout function
Ref: 03ARU485CR

ARUM THERM. HANDLE Ref: 1541

ARUM ON-OFF HANDLE (2 POSITIONS) Ref: 1543

ARUM THERM. SELECTOR CARTRIDGE (DOUBLE SHOWER & BATH ) Ref: 2229

ROUND S-COUPLING FLANGE Ref: 5501

THERMOSTATIC FILTER JOINT Ref: 7000

S-COUPLING Ref: 8006

THERMOSTATIC CARTRIDGE: CONSULT WITH THE FACTORY Ref:
1 / 2























